Описание Видеодомофон SEVEN DP-7517FHDW IPS White
SEVEN DP-7517 FHDW IPS – это умный Wi-Fi домофон, который подходит для установки в многоквартирные дома, квартиру, частный дом или дачу, чтобы можно было видеть стоящих у калитки, офиса или склада, где нужно использовать видео и аудио переговорные устройства. А когда кто-то нажимает кнопку на панели вызова, телефон получает мгновенное сообщение. Вы можете открыть дверь удаленно через приложение Tuya Smart, а также общаться с посетителем непосредственно через ваш мобильный телефон. Это очень удобно, когда вас нет дома, но вы все равно можете пообщаться с посетителем и быть всегда в курсе, кто к вам приходил. Единственное условие – наличие интернет соединения.
Для соединения с роутером SEVEN DP-7517 FHDW IPS использует сеть Wi-Fi (2,4 ГГц) или LAN соединения . LAN разъем – для подключения к роутеру через сетевой кабель. Обеспечивает стабильное подключение к интернету, если у вас слабый или нестабильный Wi-Fi сигнал.
Основные функции управления домофона со смартфона через приложение Tuya Smart:
- Поддержка Push-сообщения о входящих вызовах.
- Сообщения о пропущенных звонках с указанием даты, времени и фото посетителя.
- Просмотр архива видео и фотографии с SD карты домофона.
- Видео звонок с посетителем.
- Управление замком и воротами.
- Запись фото/видео с восклицательной панели или камер на смартфон.
- Переключение разрешения SD/HD при плохой связи.
- Двухсторонняя аудио связь.
Основные преимущества:
Мультиформатность:
Домофоны SEVEN Systems серии FHD обладают огромным преимуществом перед обычными аналоговыми домофонными системами, у них есть возможность построения мультиформатной (гибридной) системы. Все восклицательные панели и дополнительные видеокамеры могут быть любого существующего аналогового формата, в любой конфигурации, а именно – TVI/CVI/AHD/CVBS, разрешением до 1080p (FullHD). Эта возможность не ограничивает пользователя в выборе дополнительных видеокамер и восклицательных панелей.
Уникальный дизайн:
Дизайн видеодомофонов SEVEN Systems выполнен в компактном современном стиле, за счет тонких рамок домофон не смотрится громоздко и впишется в любой интерьер. Домофон оснащен сенсорными кнопками с подсветкой.
Wi-Fi видеодомофон беспроводной , а значит к нему не нужно протягивать кабель и "портить" дизайн помещения. Достаточно только Wi-Fi роутера, чтобы управлять домофоном через приложение Tuya Smart.
Сенсорный емкостной экран:
Видеодомофон оснащен сенсорным экраном, который в сочетании с интуитивно понятным меню делает его технологически современным и удобным в использовании, как при работе со смартфоном.
Детектор движения:
Детекция может быть настроена по всем четырем каналам, но запись будет производиться только по одному из них (по детекции начнется запись видео с той камеры, которая первой обнаружила движение). Кроме того, вы можете самостоятельно настроить чувствительность записи камеры или вызовной панели от "1" до "3" (где 1 – минимальная чувствительность, 3 – максимальная). Если включен режим "фоторамка", то запись по детекции движения не производится.
Запись фото и видео:
Домофонная система SEVEN Systems может записывать информацию из двух восклицательных панелей и двух камер. Запись видео или фото осуществляется по нажатию кнопки на панели вызова. Есть возможность записи видео или фото в режиме просмотра изображения с камер и вызывных панелей с помощью соответствующих кнопок на мониторе. Также запись фото или видео может производиться по детекции движения. В архиве можно просмотреть запись видео со звуком.
Фоторамка:
Чтобы не наблюдать на экране домофона в режиме ожидания черный экран, вы можете записать на карту памяти свои любимые фотографии, вызывающие у вас самые теплые эмоции или использовать экран домофона, как электронные часы.
Голосовое сообщение:
В видеодомофонах SEVEN Systems есть возможность записи голосовых сообщений посетителей. Панель вызова может автоматически предлагать посетителям оставить сообщение после звонка, продолжительность сообщения устанавливается в пределах 30 – 120 с. Вы можете прослушать запись файлов сообщений из интерфейса домофона. Голосовые сообщения активируются в режиме "На выходе".
Режим сна:
Если вы не хотите принимать посетителей в позднее время суток, уснул ребенок или кто-то из семьи отдыхает, в домофоне SEVEN Systems предусмотрен "Режим сна", после активации которого домофон переходит в беззвучный режим. При этом устройство продолжает записывать всех ваших посетителей и движения у дверей. Данные записи можно просмотреть позже.
Мелодия вызова:
Вы можете установить для каждой вызывной панели базовые 10 мелодий или самостоятельно записать на карту памяти любые MP3 синглы и наслаждаться любимыми композициями. Их можно установить по расписанию, например, более ритмичные мелодии вы можете установить на середину дня, более спокойные – в конце дня.
Переадресация вызова:
Вы можете произвольно указать монитор для вызова или выбрать вызов для всех мониторов, установленных в системе. Вы можете использовать любой монитор в системе для прямой связи с другими мониторами, подключенными в интеркоме.
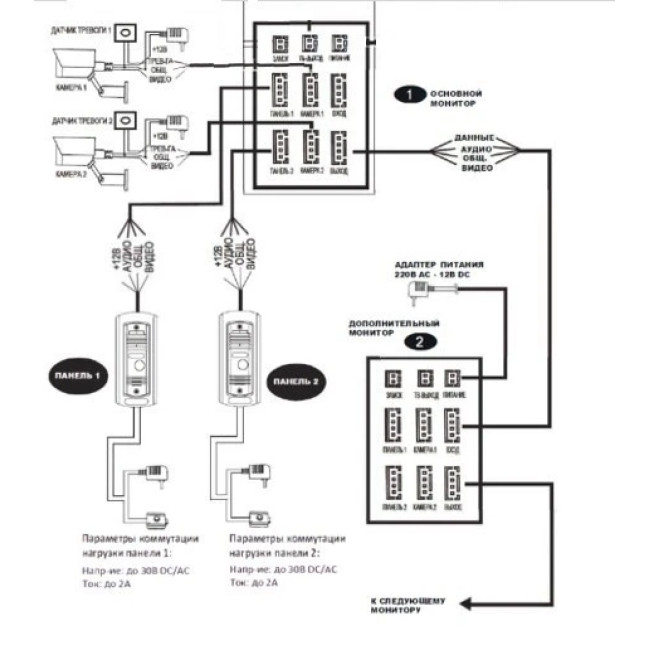
Тип установки Накладной Тип подключения Аналог (проводной) Диагональ экрана 10'' Тип матрицы IPS Разрешение экрана 1920x1080 (1080р) Управление домофоном Сенсорный экран Разговор с посетителем Громкая связь Язык меню Русский Русский Английский Подключение дополнительных устройствПоддержка 2 вызывных панелей, 3 замков и 2 дополнительных видеокамер.
Тип записи Фото + видео Детектор движения 4 канала, запись только по 1 каналу Формат входного сигнала AHD/TVI/CVI/CVBS Расширение входного сигнала 1920x1080 Встроенный блок памяти является SD карта памяти Интерком Поддержка Wi-Fi Режим Фоторамка Воспроизведение MP3 Автоответчик Диапазон рабочих температур -10℃ ~ +40℃ Питание домофона AC 220V встроенный БП DC 12V внешний БП Питание 250 мА Размеры 247 х 151,5 х 18 мм Материал корпуса Пластик ЦветОтзывы о Видеодомофон SEVEN DP-7517FHDW IPS White
Нет отзывов об этом товаре.
Вопросы и ответы (FAQ) Видеодомофон SEVEN DP-7517FHDW IPS White
